ASFETs for PoE, eFuse & relay replacement have been specifically designed to complement the latest high-power, PSE controllers:
- ASFETs primary role is to:
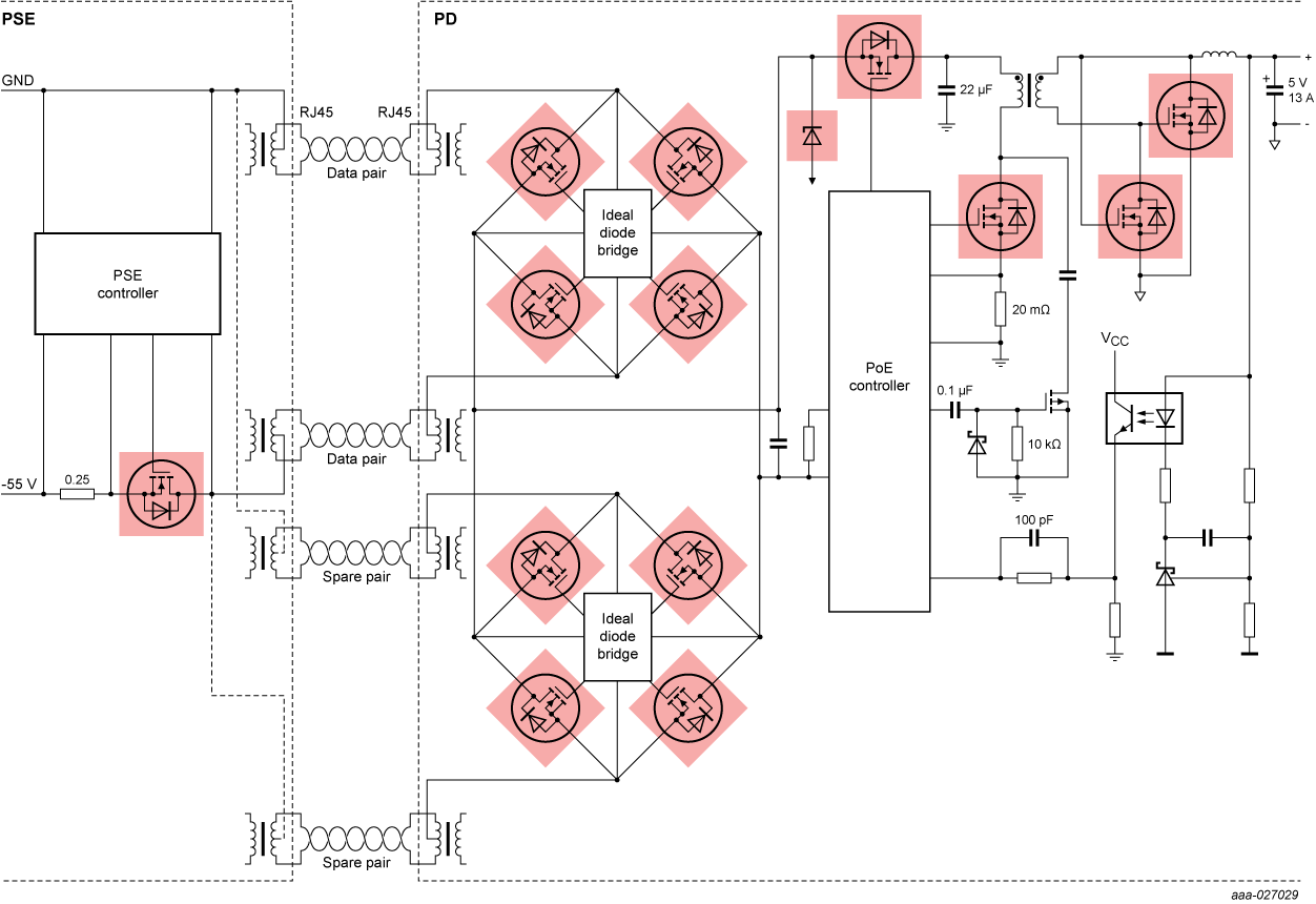
- Safely manage capacitive inrush current when Powered Devices (PD’s) are connected to Power sourcing Equipment (PSE’s).
- Provide current limit & shutdown to safely manage overload conditions & cable faults.
- ASFETs for PoE combine industry leading enhanced Safe Operating Area (SOA) and low RDS(on).
- ASFETs for PoE are available in LFPAK33 (3.3 x 3.3 mm) and space-saving DFN2020 (2 x 2 mm) package.
- ASFETs deliver superior linear-mode capability, power density and thermal efficiency in a compact footprint.
- Enabling designers to squeeze more high-power PoE ports into a compact router / switch.
- Also suitable for eFuse & relay replacement where superior fault tolerance is required.

Nexperia in action
PSMN075-100MSE, PSMN040-100MSE, PSMN4R8-100BSE MOSFETs referenced in Linear Technology's LTC4279 New PSE Controller datasheet are from our differentiated ASFETs for Hotswap and Soft Start / ASFETs for Power over Ethernet portfolios.
Featured products
Featured documents
Latest news and blogs
Latest videos
Parametric search

Products
Type number | Description | Status | Quick access |
---|---|---|---|
PSMN040-100MSE | N-channel 100 V 36.6 mΩ standard level MOSFET in LFPAK33 designed specifically for high power PoE applications | Production | |
PSMN047-100NSE | N-channel 100 V, 53 mOhm standard level ASFET with enhanced SOA in DFN2020. Designed for high power PoE, inrush management, eFuse and relay replacement | Production | |
PSMN071-100NSE | N-channel 100 V, 82 mOhm standard level ASFET with enhanced SOA in DFN2020. Designed for high power PoE, inrush management, eFuse and relay replacement | Production | |
PSMN075-100MSE | N-channel 100 V 71 mΩ standard level MOSFET in LFPAK33 designed specifically for PoE applications | Production |
Application note (2) |
|||
---|---|---|---|
File name | Title | Type | Date |
AN11158.pdf | Understanding power MOSFET data sheet parameters | Application note | 2025-10-21 |
AN50006.pdf | Power MOSFETs in linear mode | Application note | 2025-09-08 |
Marcom graphics (1) |
|||
File name | Title | Type | Date |
RS2780_PoE_blue-scr.jpg | POE MarCom image | Marcom graphics | 2020-09-16 |
Please contact us if you have any questions. If you are in need of design support, please fill in the technical support form, we will get back to you shortly.
Please visit our community forum or contact us for further support.